Your One-Stop Solution For Cable & Wire Accessories!

Pneumatics


Contact Us About Us  
 
LinkedIn Facebook Twitter Hi Tech Controls Blog google +
Cables & WiresEnclosures (Plastic & Metal)Pneumatic ComponentsLiquid Tight Strain Relief FittingsCircular ConnectorsConduit System (Tubing, Fittings, etc.)Accessories & Adapters, Reducers, Enlargers
 
easyquote
*E-mail
*Name
*Company
*Phone
*State
*Zip Code
*Country
Please answer the security question:
3+2=
(*) Required Fields
Catalogs / Samples, Full Quote & Contact Information
303-699-1135
1-800-456-9012
dropdownbox

Camozzi Index|Valves|Mechanical Valves


camozzi

CAMOZZI Valves
Manual, Mechanical & Air-Pilot

Series 4 - 1/8" & 1/4" Mechanically Operated Sensor Valves

Download & Save as PDF File PDF Download

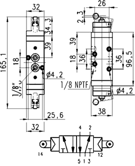
Series 4 - 1/8" & 1/4" Mechanically Operated Sensor Valves (Cv = 0.68)

5-way/2-position, 1/8" ports, double-pilot, lever / roller, bi-stable (double)
Series 4 - 1/8" & 1/4" Mechanically Operated Sensor Valves

Part Number
458-011-295
Operating pressure = 2 - 8 bar (29 - 116 psi)
Flow rate = 650 Nl/min. (22.95 SCFM)
Actuating force at 6 bar = 4 N (.9 lbf)
Technical Drawing
(Part Listed Is BSP - For NPT Sizes Add TF to Order Code)
Coding Example
Coding Example
(Click Image to Enlarge)
Technical Specifications
Construction spool-type (servocontrolled); internal pilot-pressure spool plunger
Valve Function 3-way/2-position, 5-way/2-position
Materials Anodized body, stainless steel spool, NBR seals
Ports 1/8", 1/4" NPTF
Operating Temperature 32° - 175°F (dry air necessary down to -4°F)
Pneumatic Data
Operating pressure 2.5 - 8 bar (36 - 116 psi) for single-pilot models
2 - 8 bar (29 - 116 psi) for double-pilot models
Nominal Flow (QN) 1/4" = 1250 NL/min. (44.1 SCFM) Cv = 1.31
1/8" = 650 NL/min. (22.95 SCFM) Cv = 0.68
 
Sealcon is the Exclusive Importer of HUMMEL products. We offer over 6,000 different Types and Sizes of RoHS Compliant Liquid Tight Strain Relief Fittings, Cord Grips, Cable Glands, Circular Connectors, Conduit System, Industrial Enclosures and Other Related Cable Management Products which are rated the best in the industry.
7374 S. Eagle Street
Centennial, CO 80112-4221 USA
Toll Free: 800-456-9012 / 303-699-1135 FAX: 303-680-5344
Valid XHTML 1.0 Transitional
To Top of Page Top of Page

Copyright © Sealcon All Rights Reserved
|Domestic & International Cables|Enclosures |Liquid Tight Strain Relief Fittings & Accessories|
|Circular Connectors|Conduit System|Pneumatics|Cable Index|Enclosure Index|Search|
|Media|Site Map|Company Overview|Contact|Privacy Policy|Copyright Notice|