Your One-Stop Solution For Cable & Wire Accessories!

Pneumatics


Contact Us About Us  
 
LinkedIn Facebook Twitter Hi Tech Controls Blog google +
Cables & WiresEnclosures (Plastic & Metal)Pneumatic ComponentsLiquid Tight Strain Relief FittingsCircular ConnectorsConduit System (Tubing, Fittings, etc.)Accessories & Adapters, Reducers, Enlargers
 
easyquote
*E-mail
*Name
*Company
*Phone
*State
*Zip Code
*Country
Please answer the security question:
3+2=
(*) Required Fields
Catalogs / Samples, Full Quote & Contact Information
303-699-1135
1-800-456-9012
dropdownbox

Camozzi Index|Valves|Air-Pilot Valves


camozzi

CAMOZZI Valves - Manual, Mechanical & Air-Pilot

Air-Pilot Valves - Product Overview

Download & Save as PDF File PDF Download

Pneumatically Operated Amplifier Valve Series 2L (Cv = .13)

Mod. 2LA-AM (Amplifier Valve), 3-way/2-position, Ports 1/8" BSPP, *(Will accept Pro-Fit® fittings)
The pneumatically operated amplifier valve is a 3-way/2-position normally closed valve, changing low pressure signals into 2 - 8 bar pressure signals.
The valve construction allows permanent reduced air consumption at rest.
Pilot pressure applied at Port 12 actuates valve and allows pressure (2 - 8 bar) to flow from inlet P to outlet A). 1 → 2. A constant "leak," or air consumption, occurs while unit is at rest from inlet 1 to atmosphere.
Pneumatically Operated Amplifier Valve Series 2L

Part Number
2LA-AM
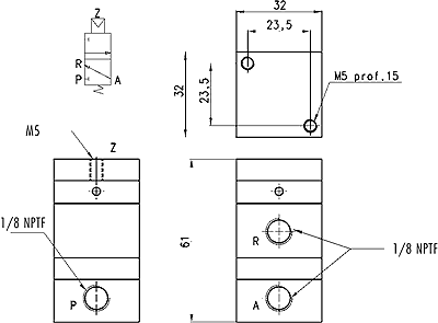
Technical Drawing


Basic Assembly/Circuit Guide
Basic Assembly/Circuit Guide Basic Assembly/Circuit Guide
The air signal from the receiver element (2LB-SR) will typically become the input pilot signal to the amplifier valve (2LA-AM). Receiver element (2LB-SR) will typically connect its port 2 (or "A"), to the amplifier valve pilot port 12.
Pilot pressure applied at Port 12 actuates valve and allows pressure (2 - 8 bar) to flow from inlet P to outlet A). 1 → 2. A constant "leak," or air consumption, occurs while unit is at rest from inlet 1 to atmosphere.
Technical Specifications
Construction Poppet type
Valve group 3-way/2-position normally closed
Materials Aluminum body, Buna-N seals
Mounitng By M5 (10-32 UNF) screws
Ports 1/8" BSP (accepts 1/8" Pro-Fit NPTF)
Installation In any position
Temperature 32° - 175° F (Dry air required down to -4° F)
Pneumatic Data
Output pressure Min. 2 - max. 8 bar (29-116 PSI)
Minimum signal input pressure 0.03 bar (.435 psi)
Maximum signal input pressure 0.6 bar (8.7psi)
Constant air consumption at rest (6 bar)
3.3 NL/min (.116 SCFM) via port 1 to atmosphere without signal present at 12
Nominal flow 120 NL/min (4.23 SCFM) P → A (1 → 2)
Cv = 0.13 (when actuated)
Fluid Filtered, not lubricated air
 
Sealcon is the Exclusive Importer of HUMMEL products. We offer over 6,000 different Types and Sizes of RoHS Compliant Liquid Tight Strain Relief Fittings, Cord Grips, Cable Glands, Circular Connectors, Conduit System, Industrial Enclosures and Other Related Cable Management Products which are rated the best in the industry.
7374 S. Eagle Street
Centennial, CO 80112-4221 USA
Toll Free: 800-456-9012 / 303-699-1135 FAX: 303-680-5344
Valid XHTML 1.0 Transitional
To Top of Page Top of Page

Copyright © Sealcon All Rights Reserved
|Domestic & International Cables|Enclosures |Liquid Tight Strain Relief Fittings & Accessories|
|Circular Connectors|Conduit System|Pneumatics|Cable Index|Enclosure Index|Search|
|Media|Site Map|Company Overview|Contact|Privacy Policy|Copyright Notice|