Your One-Stop Solution For Cable & Wire Accessories!

Pneumatics


Contact Us About Us  
 
LinkedIn Facebook Twitter Hi Tech Controls Blog google +
Cables & WiresEnclosures (Plastic & Metal)Pneumatic ComponentsLiquid Tight Strain Relief FittingsCircular ConnectorsConduit System (Tubing, Fittings, etc.)Accessories & Adapters, Reducers, Enlargers
 
easyquote
*E-mail
*Name
*Company
*Phone
*State
*Zip Code
*Country
Please answer the security question:
3+2=
(*) Required Fields
Catalogs / Samples, Full Quote & Contact Information
303-699-1135
1-800-456-9012
dropdownbox

Camozzi Index|Valves|Mechanical Valves


camozzi

CAMOZZI Valves
Manual, Mechanical & Air-Pilot

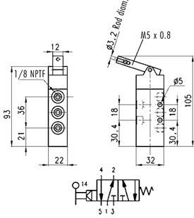
Series 3 - 1/8" Ported Mechanically Operated Sensor Valves

Download & Save as PDF File PDF Download

Series 3 - 1/8" Ported Mechanically Operated Sensor Valves (Whisker Valve) (Cv = 0.73)

5-way/2-position, Ports 1/8" NPTF
Series 3 - 1/8" Ported Mechanically Operated Sensor Valves

Part Number
358-D15-9A5
Operating pressure 4 - 10 bar, 58-145 psi
Acutuation force = .5lbf at 6 bar (2N)

* The function of the valve is indicated by the symbol when operating between 4 and 10 bar.

* All "whisker-rod" holes in lever have M5 x 0.8 cross-drilled tap hole for securing rod.
Technical Drawing
(Part Listed Is BSP For NPT Sizes - Add TF to Order Code)
Coding Example
Coding Example
(Click Image to Enlarge)
Technical Specifications
Valve group 3-way/2-position, 5-way/2-position
Construction Spool-type (servo-controlled)
Mounting Mounting holes in valve body
Materials Anodized body, stainless steel spool, Buna-N seals
Threaded port sizes 1/8" NPTF
Installation In any position
Operating temperature 32°F - 175°F, (dry air necessary down to -4°F)
Fluid Filtered air (25 micron or less recommended)
Lubricant Not required; otherwise, oil compatible with Buna-N, (3° - 10°E) (ISOVG 32 grade; 32 centistrokes)
Pneumatic Data
Operating pressure 4-10 bar (58-145 psi)
Nominal pressure 6 bar (87 psi)
Nominal flow *Qn Series 3: 1/8" = 700 Nl/min. (24.7 SCFM)
Cv rating 1/8" = .73
Nominal diameter 1/8" = 5 mm
Fluid Filtered air
* Qn = determined with supply pressure of 6 bar and with Dp = 1 bar
**Dimensions are in millimeters
 
Sealcon is the Exclusive Importer of HUMMEL products. We offer over 6,000 different Types and Sizes of RoHS Compliant Liquid Tight Strain Relief Fittings, Cord Grips, Cable Glands, Circular Connectors, Conduit System, Industrial Enclosures and Other Related Cable Management Products which are rated the best in the industry.
7374 S. Eagle Street
Centennial, CO 80112-4221 USA
Toll Free: 800-456-9012 / 303-699-1135 FAX: 303-680-5344
Valid XHTML 1.0 Transitional
To Top of Page Top of Page

Copyright © Sealcon All Rights Reserved
|Domestic & International Cables|Enclosures |Liquid Tight Strain Relief Fittings & Accessories|
|Circular Connectors|Conduit System|Pneumatics|Cable Index|Enclosure Index|Search|
|Media|Site Map|Company Overview|Contact|Privacy Policy|Copyright Notice|