Your One-Stop Solution For Cable & Wire Accessories!

Pneumatics


Contact Us About Us  
 
LinkedIn Facebook Twitter Hi Tech Controls Blog google +
Cables & WiresEnclosures (Plastic & Metal)Pneumatic ComponentsLiquid Tight Strain Relief FittingsCircular ConnectorsConduit System (Tubing, Fittings, etc.)Accessories & Adapters, Reducers, Enlargers
 
easyquote
*E-mail
*Name
*Company
*Phone
*State
*Zip Code
*Country
Please answer the security question:
3+2=
(*) Required Fields
Catalogs / Samples, Full Quote & Contact Information
303-699-1135
1-800-456-9012
dropdownbox

camozzi Index|Valves|Mechanical Valves


camozzi

CAMOZZI Valves - Manual, Mechanical & Air-Pilot

Series 1 and 3 - Mechanically Operated Valves

Download & Save as PDF File PDF Download

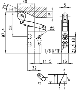
Series 1 and 3 - Mechanically Operated Valves (Cv = 0.73)

Spool type, 3/2-way normally closed, 1/8" port, Uni-directional Lever / Roller, spring return
Series 1 and 3 - Mechanically Operated Valves

Part Number
338-965TF
Actuating force at 6 bar (87 psi) = 15N (3.37 lbs.)
Note: roller and plunger are made of stainless steel. (AISI 303)
Technical Drawing
Coding Example
Coding Example
(Click Image to Enlarge)
Technical Specifications
Valve group 3/2, 5/2, (way/positions)
Construction Spool type Series 3; Poppet type series 1
Mounting Mounting holes in valve body
Materials Anodized body, Stainless steel spool, Buna-N seals
Threaded port size 1/8" and 1/4" NPTF
Installation Single panel mount
Operating temperature 32°F - 175°F, (dry air necessary down to -4°F)
Fluid Filtered air (25 micron or less recommended)
Lubricant Not required; otherwise, oil compatible with Buna-N, (3° - 10°E) (ISOVG32 grade; 32 centistrokes)
Pneumatic Data
Operating pressure 0 - 10 bar (0 - 145 psi, down to -.9 bar vacuum; 28" Hg with Series 3)
Nominal pressure 6 bar (87 psi)
Nominal flow *Qn Series 1: 1/8" = 500 NL/min. (17.65 SCFM); 1/4" = 1250 NL/min. (44.14 SCFM)
Series 3: 1/8" = 700 NL/min. (24.7 SCFM)
Nominal Diameter 1/8" = 5 mm
Cv Rating Series 1: 1/8" = 0.52; 1/4" = 1.31
Series 3: 1/8" = 0.73
*Qn flowrate (SCFM) determined with a supply pressure of 6 bar, (87 psi), and with a pressure drop of 1 bar (14.5 psi)
**Dimensions are in millimeters
 
Sealcon is the Exclusive Importer of HUMMEL products. We offer over 6,000 different Types and Sizes of RoHS Compliant Liquid Tight Strain Relief Fittings, Cord Grips, Cable Glands, Circular Connectors, Conduit System, Industrial Enclosures and Other Related Cable Management Products which are rated the best in the industry.
7374 S. Eagle Street
Centennial, CO 80112-4221 USA
Toll Free: 800-456-9012 / 303-699-1135 FAX: 303-680-5344
Valid XHTML 1.0 Transitional
To Top of Page Top of Page

Copyright © Sealcon All Rights Reserved
|Domestic & International Cables|Enclosures |Liquid Tight Strain Relief Fittings & Accessories|
|Circular Connectors|Conduit System|Pneumatics|Cable Index|Enclosure Index|Search|
|Media|Site Map|Company Overview|Contact|Privacy Policy|Copyright Notice|