Your One-Stop Solution For Cable & Wire Accessories!

Pneumatics


Contact Us About Us  
 
LinkedIn Facebook Twitter Hi Tech Controls Blog google +
Cables & WiresEnclosures (Plastic & Metal)Pneumatic ComponentsLiquid Tight Strain Relief FittingsCircular ConnectorsConduit System (Tubing, Fittings, etc.)Accessories & Adapters, Reducers, Enlargers
 
easyquote
*E-mail
*Name
*Company
*Phone
*State
*Zip Code
*Country
Please answer the security question:
3+2=
(*) Required Fields
Catalogs / Samples, Full Quote & Contact Information
303-699-1135
1-800-456-9012
dropdownbox

Camozzi Index|Valves|Air-Pilot Valves


camozzi

CAMOZZI Valves
Manual, Mechanical & Air-Pilot

Air-Pilot Valves - Series 9

Download & Save as PDF File PDF Download

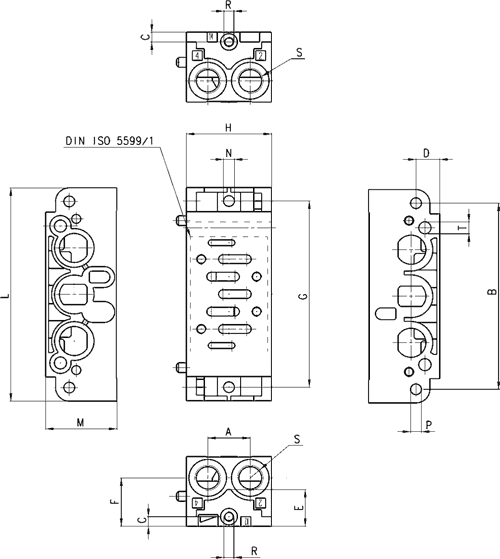
Series 9 Air-Pilot Operated Valves

Manifold bases with common inlet and exhaust ports and with outlet ports on the front (end)
Series 9 Air-Pilot Operated Valves
Note: complete with fixing screws and O-ring.
Technical Drawing
Part Number Size A B C D E F G H L M N P R S T
901-N1A 1 21.5 96 5 12 19 25 96 43 110 36 5.5 5.5 M5 1/4 6.2
(Part Listed Is BSP For NPT Sizes - Add TF to Order Code)
Coding Example
Coding Example
(Click Image to Enlarge)
Technical Specifications
Construction spool-type (servocontrolled) packed bore
Valve group 5-way/2-position and 5-way/3-position
Materials Anodized aluminum body, stainless steel spool, BUNA-N seals
Mounting threaded holes in sub-base
Size 1, 2 and 3 according to ISO 5599/1 standard)
Installation in any position
Operating temperature 0 - 60°C (using dry air at -20°C) (32°F - 140°F) (using dry air at -4°F)
Pneumatic Data
Operating pressure max. press. 10 bar (for minimum pressures see descriptions); 145 psi max
Nominal pressure 6 bar (87 psi) nominal
Nominal flow * Qn Size 1 = 900 NL/min; 31.8 SCFM, Cv= .95
Size 2 = 1610 NL/min; 56.8 SCFM, Cv= 1.69
Size 3 = 4350 NL/min; 153.6 SCFM, Cv= 4.57
Fluid filtered air, without lubrication (25 micron or less recommended)**
*Qn = determined with supply pressure of 6 bar and with Dp = 1 bar. **If lubricated air is used, it is recommended to use ISOVG32 oil and to never interrupt the lubrication.
 
Sealcon is the Exclusive Importer of HUMMEL products. We offer over 6,000 different Types and Sizes of RoHS Compliant Liquid Tight Strain Relief Fittings, Cord Grips, Cable Glands, Circular Connectors, Conduit System, Industrial Enclosures and Other Related Cable Management Products which are rated the best in the industry.
7374 S. Eagle Street
Centennial, CO 80112-4221 USA
Toll Free: 800-456-9012 / 303-699-1135 FAX: 303-680-5344
Valid XHTML 1.0 Transitional
To Top of Page Top of Page

Copyright © Sealcon All Rights Reserved
|Domestic & International Cables|Enclosures |Liquid Tight Strain Relief Fittings & Accessories|
|Circular Connectors|Conduit System|Pneumatics|Cable Index|Enclosure Index|Search|
|Media|Site Map|Company Overview|Contact|Privacy Policy|Copyright Notice|