Your One-Stop Solution For Cable & Wire Accessories!

Pneumatics


Contact Us About Us  
 
LinkedIn Facebook Twitter Hi Tech Controls Blog google +
Cables & WiresEnclosures (Plastic & Metal)Pneumatic ComponentsLiquid Tight Strain Relief FittingsCircular ConnectorsConduit System (Tubing, Fittings, etc.)Accessories & Adapters, Reducers, Enlargers
 
easyquote
*E-mail
*Name
*Company
*Phone
*State
*Zip Code
*Country
Please answer the security question:
3+2=
(*) Required Fields
Catalogs / Samples, Full Quote & Contact Information
303-699-1135
1-800-456-9012
dropdownbox

Camozzi Index|Valves|Air-Pilot Valves


camozzi

CAMOZZI Valves - Manual, Mechanical & Air-Pilot

Air-Pilot Valves - Basic Logic Valves

Download & Save as PDF File PDF Download

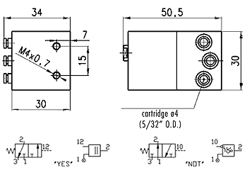
Basic Logic Valves Series 2L

"Yes", "Not" Valve Mod. 2LS .../2LT... (5/32" O.D. Cartridges), Cv = .07
Basic Logic Valves Series 2L

Part Number Type
2LS-SB4-B (YES)
2LT-SB4-B (NOT)
Technical Drawing
Technical Specifications
Construction Poppet Design (spool for Memory)
Valve group Automatic valves (logic units)
Ports Cartridge Ø4 mm (5/32" O.D. tube connection)
Operating pressure 32° - 175° F, (dry air necessary down to -4° F)
Lubricant Not required; otherwise, oil compatible with Buna-N seals (3 - 10° F): ISOVG32 grade (32 centistrokes)
Fluid Air, with or without lubrication
Pneumatic Data
Operating pressure 29 - 116 psi
Nominal flowrate 70 NL/min. (2.47 SCFM), Cv = .007
 
Sealcon is the Exclusive Importer of HUMMEL products. We offer over 6,000 different Types and Sizes of RoHS Compliant Liquid Tight Strain Relief Fittings, Cord Grips, Cable Glands, Circular Connectors, Conduit System, Industrial Enclosures and Other Related Cable Management Products which are rated the best in the industry.
7374 S. Eagle Street
Centennial, CO 80112-4221 USA
Toll Free: 800-456-9012 / 303-699-1135 FAX: 303-680-5344
Valid XHTML 1.0 Transitional
To Top of Page Top of Page

Copyright © Sealcon All Rights Reserved
|Domestic & International Cables|Enclosures |Liquid Tight Strain Relief Fittings & Accessories|
|Circular Connectors|Conduit System|Pneumatics|Cable Index|Enclosure Index|Search|
|Media|Site Map|Company Overview|Contact|Privacy Policy|Copyright Notice|