Your One-Stop Solution For Cable & Wire Accessories!

Pneumatics


Contact Us About Us  
 
LinkedIn Facebook Twitter Hi Tech Controls Blog google +
Cables & WiresEnclosures (Plastic & Metal)Pneumatic ComponentsLiquid Tight Strain Relief FittingsCircular ConnectorsConduit System (Tubing, Fittings, etc.)Accessories & Adapters, Reducers, Enlargers
 
easyquote
*E-mail
*Name
*Company
*Phone
*State
*Zip Code
*Country
Please answer the security question:
3+2=
(*) Required Fields
Catalogs / Samples, Full Quote & Contact Information
303-699-1135
1-800-456-9012
dropdownbox

camozzi Index|Valves|Flow Control Valves


camozzi

CAMOZZI Valves - Manual, Mechanical & Air-Pilot

Composite Flow Regulators with Banjo - BSP/Metric

Download & Save as PDF File PDF Download

Composite Flow Regulators with Banjo - BSP/Metric

Valve Series PSCU (Meter-Out)
Valve Series PSCU (Meter-Out)

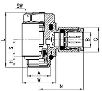
Technical Drawing
Part Number A B G H L N S W SW SW1 Z
PSCU 604-1/8-4 G1/8 4 11.6 5 27 21 7.75 14 12 7 42.5
PSCU 604-1/8-6 G1/8 6 11.6 5 27 21 7.75 14 12 7 42.5
PSCU 604-1/8-8 G1/8 8 13.9 5 27 22.5 7.75 14 12 7 42.5
PSCU 606-1/4-6 G1/4 6 13.9 6 30.5 24.5 9.25 18.6 15 7 48
PSCU 606-1/4-8 G1/4 8 13.9 6 30.5 24.5 9.25 18.6 15 7 48
PSCU 606-1/4-10 G1/4 10 16.1 6 30.5 27 9.25 18.6 15 7 48
PSCU 608-3/8-10 G3/8 10 20.2 6 35.5 29 11 22 18 10 55.5
PSCU 608-3/8-12 G3/8 12 20.2 6 35.5 29 11 22 18 10 55.5
Note: Dimensions in mm. All dimensions are identical for PMVU and PMCO models.
Coding Example
Coding Example
(Click Image to Enlarge)
FLow Diagrams
Flow Diagrams
Technical Specifications
Construction needle type
Valve group unidirectional and bidirectional controller (Meter-out, Meter-in, Needle Orifice)
Materials Nickel-plated brass body, regulation screw, collet and insert; technopolymer: banjo and controller; NBR seals
Mounting by male thread
Ports G1/8 - G1/4 - G3/8
Installation in any position
Operating temperature 0°C - 60°C (with dry air -20°C) (32°F - 175°F, with dry air -4°F)
Operating Pressure 1 - 10 bar
Nominal Pressure 6 bar
Nominal Flow See graph
Nominal Diameter G1/8 = 2 mm, G1/4 = 4 mm, G3/8 = 7mm
Fluid Filtered Air, 25 micron or less
 
Sealcon is the Exclusive Importer of HUMMEL products. We offer over 6,000 different Types and Sizes of RoHS Compliant Liquid Tight Strain Relief Fittings, Cord Grips, Cable Glands, Circular Connectors, Conduit System, Industrial Enclosures and Other Related Cable Management Products which are rated the best in the industry.
7374 S. Eagle Street
Centennial, CO 80112-4221 USA
Toll Free: 800-456-9012 / 303-699-1135 FAX: 303-680-5344
Valid XHTML 1.0 Transitional
To Top of Page Top of Page

Copyright © Sealcon All Rights Reserved
|Domestic & International Cables|Enclosures |Liquid Tight Strain Relief Fittings & Accessories|
|Circular Connectors|Conduit System|Pneumatics|Cable Index|Enclosure Index|Search|
|Media|Site Map|Company Overview|Contact|Privacy Policy|Copyright Notice|