Your One-Stop Solution For Cable & Wire Accessories!

Pneumatics


Contact Us About Us  
 
LinkedIn Facebook Twitter Hi Tech Controls Blog google +
Cables & WiresEnclosures (Plastic & Metal)Pneumatic ComponentsLiquid Tight Strain Relief FittingsCircular ConnectorsConduit System (Tubing, Fittings, etc.)Accessories & Adapters, Reducers, Enlargers
 
easyquote
*E-mail
*Name
*Company
*Phone
*State
*Zip Code
*Country
Please answer the security question:
3+2=
(*) Required Fields
Catalogs / Samples, Full Quote & Contact Information
303-699-1135
1-800-456-9012
dropdownbox

Camozzi Index|Valves|Air-Pilot Valves


camozzi

CAMOZZI Valves - Manual, Mechanical & Air-Pilot

Air-Pilot Valves - Series 9

Download & Save as PDF File PDF Download

Series 9 - ISO 5599/1
Regulator Plate ISO Size 2 (P-regulation)
For ISO Size 2 valves only.

Series 7 - VDMA 24563 (ISO 15407-1) Regulator Plate ISO Size 01 (P-regulation) 26mm
Gauges supplied separately,
shown only for installation
Part Number ISO.2 P
Port size DIN ISO 5599/1
Description air line regulator with diaphragm and relieving feature
Mounting arbitrary
Supply pressure Pe max. 16 bar (not to exceed max. pressure of valve)
Reduced pressure Pa 0.5-12 bar
Media and ambient temperature max. 50°C (other temperature ranges available upon request)
Fixing with connection board
Weight 1.680 kg (without gauge)
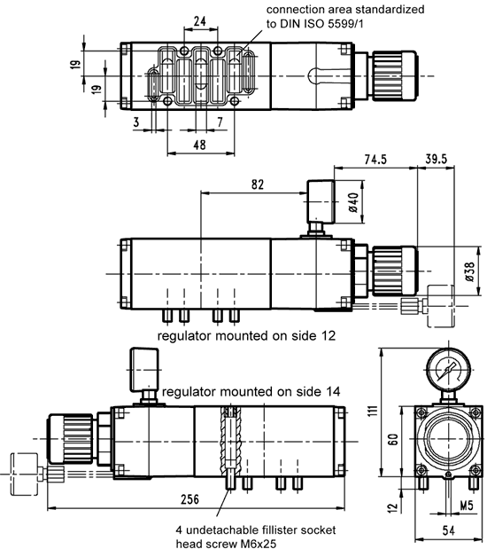
Technical Drawing
Replacement Parts
No. Description Material Part Number
1 intermediate plate Al ---
2 sealing frame ISO.2-5 NBR 5.1822.05.000
3 body zinc - Z 410 ---
4 spring cage C.22-72 POM - Ms 8.2122.72.000
5 diaphragm NBR - Ms *
6 regulating spring 0-12 bar St. - galvanized 5.2122.83.000
7 valve cone
NBR - Ms
*
8 spring C.22-87 niro 5.2122.87.000
9 sealing frame NBR *
10 bonnet Al ---
*(repair kit: ESA-ISO.2)
Technical Drawing - Regulator
Dimensions
Technical Drawing - Regulator
Flow Characteristics
Technical Drawing - Regulator
Accessories
Technical Drawing - Regulator
 
Sealcon is the Exclusive Importer of HUMMEL products. We offer over 6,000 different Types and Sizes of RoHS Compliant Liquid Tight Strain Relief Fittings, Cord Grips, Cable Glands, Circular Connectors, Conduit System, Industrial Enclosures and Other Related Cable Management Products which are rated the best in the industry.
7374 S. Eagle Street
Centennial, CO 80112-4221 USA
Toll Free: 800-456-9012 / 303-699-1135 FAX: 303-680-5344
Valid XHTML 1.0 Transitional
To Top of Page Top of Page

Copyright © Sealcon All Rights Reserved
|Domestic & International Cables|Enclosures |Liquid Tight Strain Relief Fittings & Accessories|
|Circular Connectors|Conduit System|Pneumatics|Cable Index|Enclosure Index|Search|
|Media|Site Map|Company Overview|Contact|Privacy Policy|Copyright Notice|