Your One-Stop Solution For Cable & Wire Accessories!

Pneumatics


Contact Us About Us  
 
LinkedIn Facebook Twitter Hi Tech Controls Blog google +
Cables & WiresEnclosures (Plastic & Metal)Pneumatic ComponentsLiquid Tight Strain Relief FittingsCircular ConnectorsConduit System (Tubing, Fittings, etc.)Accessories & Adapters, Reducers, Enlargers
 
easyquote
*E-mail
*Name
*Company
*Phone
*State
*Zip Code
*Country
Please answer the security question:
3+2=
(*) Required Fields
Catalogs / Samples, Full Quote & Contact Information
303-699-1135
1-800-456-9012
dropdownbox

Camozzi Index|Valves|Air-Pilot Valves


camozzi

CAMOZZI Valves
Manual, Mechanical & Air-Pilot

Air-Pilot Valves - Series 7

Download & Save as PDF File PDF Download

Series 7 Solenoid and Air-Pilot Operated Valves

Supply unit for manifold bases, (for auxillary pressure supply or different pressure zones)
with common inlet and exhaust ports
Series 7 Solenoid and Air-Pilot Operated Valves
Note: complete with screws and seal.
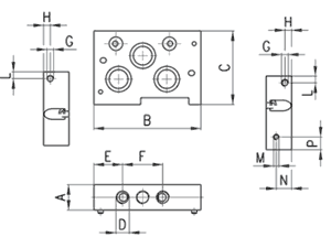
Technical Drawing
Part Number Size ISO A B C D E F G H L M N P
701C-N1N 26 mm 27 100 65 1/4 27 38 M5 6.5 10 M4 10 10
702C-N2N 18 mm 19 80 55 1/8 21.5 30 M5 5 5 M4 11.5 9.5
(Part Listed Is BSP - For NPT Sizes Add TF to Order Code)
Coding Example
Coding Example
(Click Image to Enlarge)
Technical Specifications
Construction Packed spool-type
Valve group 5-way/2-position, 5-way/3-position
Materials Anodized aluminum body, spool, base nylon end covers, BUNA-N seals
Mounting through holes in valve body onto manifold segements
Operating temperature 0°C min. +50°C max, (32°F - 122°F)
Lubricant without lubrication**
Size 26 mm - size VDMA 01; 18 mm - size VDMA 02
Installation in any position
Pneumatic Data
Operating pressure P. max 7 bar (102 psi). See tables for minimum operating pressures.
Nominal pressure 6 bar - 87 psi (used for flow calcutations)
Nominal flow *Qn Size 26 mm: 900 NL/min; 31.8 SCFM ; Cv = .95
Size 18 mm: 450 NL/min; 15.9 SCFM; Cv = .47
Fluid filtered air (5 micron or less), without lubrication**
*Qn = determined with supply pressure of 6 bar and with Dp = 1 bar ** If lubricated air is used, it is recommended to use ISOVG32 oil and never to interrupt the lubrication.
 
Sealcon is the Exclusive Importer of HUMMEL products. We offer over 6,000 different Types and Sizes of RoHS Compliant Liquid Tight Strain Relief Fittings, Cord Grips, Cable Glands, Circular Connectors, Conduit System, Industrial Enclosures and Other Related Cable Management Products which are rated the best in the industry.
7374 S. Eagle Street
Centennial, CO 80112-4221 USA
Toll Free: 800-456-9012 / 303-699-1135 FAX: 303-680-5344
Valid XHTML 1.0 Transitional
To Top of Page Top of Page

Copyright © Sealcon All Rights Reserved
|Domestic & International Cables|Enclosures |Liquid Tight Strain Relief Fittings & Accessories|
|Circular Connectors|Conduit System|Pneumatics|Cable Index|Enclosure Index|Search|
|Media|Site Map|Company Overview|Contact|Privacy Policy|Copyright Notice|