Your One-Stop Solution For Cable & Wire Accessories!

Pneumatics


Contact Us About Us  
 
LinkedIn Facebook Twitter Hi Tech Controls Blog google +
Cables & WiresEnclosures (Plastic & Metal)Pneumatic ComponentsLiquid Tight Strain Relief FittingsCircular ConnectorsConduit System (Tubing, Fittings, etc.)Accessories & Adapters, Reducers, Enlargers
 
easyquote
*E-mail
*Name
*Company
*Phone
*State
*Zip Code
*Country
Please answer the security question:
3+2=
(*) Required Fields
Catalogs / Samples, Full Quote & Contact Information
303-699-1135
1-800-456-9012
dropdownbox

Camozzi Index|Valves|Air-Pilot Valves


camozzi

CAMOZZI Valves
Manual, Mechanical & Air-Pilot

Air-Pilot Valves - Series 4

Download & Save as PDF File PDF Download

Series 4 Air-Pilot operated valves

5-way/2-position valve, 1/4" port, Double Air Pilot (Mod. -34TF bias return) Cv = 1.31
Series 4 Air-Pilot operated valves
Valve with pneumatic actuation/return ( -33 mod.)
and differential return (-34 mod.)
Minimum pilot pressure: 2 bar. (29 psi)
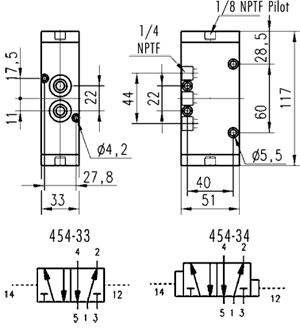
Technical Drawing
Part Number Mounting Function Flow Rate
NL/min
Min. pil P
454-33
in line/manifold 5/2 1250 2 bar (29 psi)
454-34 in line/manifold 5/2 1250 2 bar (29 psi)
(Part Listed Is BSP - For NPT Sizes Add TF to Order Code)
Coding Example
Coding Example
(Click Image to Enlarge)
Technical Specifications
Valve group 3-way/2-position, 5-way/2-position, 5-way/3-position
Construction Air-Pilot, in-line ported
Mounting through holes in valve body
Materials Anodized body, stainless steel spool, Buna-N seals
Threaded port sizes 1/8", 1/4", 1/2" NPTF
Installation in any position
Operating temperature 0 - 80°C (with dry air at -20°C), 32°F - 176°F (with dry air at -4°F)
Fluid Filtered air (32 micron or less recommended)
Lubricant Not required; otherwise, oil compatible with Buna-N, (3° - 10° E) ISOVG32 grade (32 centistrokes)
Pneumatic Data
Operating pressure P = -0.9 -10 bar, 0-145 psi (down to 28" Hg vacuum rated)
Control pressure min. press. (see valve description)
Nominal pressure 6 bar - 87 psi
Nominal flow *Qn Series 4: 1/8" = 700 NL/min. (24.72 SCFM), Cv = .73
1/4" = 1250 NL/min (43.7 SCFM), Cv= 1.3
1/2" = 1900 NL/min (67.1 SCFM), Cv= 2.00
Fluid filtered air, without lubrication** (25 micon recommended)
 
Sealcon is the Exclusive Importer of HUMMEL products. We offer over 6,000 different Types and Sizes of RoHS Compliant Liquid Tight Strain Relief Fittings, Cord Grips, Cable Glands, Circular Connectors, Conduit System, Industrial Enclosures and Other Related Cable Management Products which are rated the best in the industry.
7374 S. Eagle Street
Centennial, CO 80112-4221 USA
Toll Free: 800-456-9012 / 303-699-1135 FAX: 303-680-5344
Valid XHTML 1.0 Transitional
To Top of Page Top of Page

Copyright © Sealcon All Rights Reserved
|Domestic & International Cables|Enclosures |Liquid Tight Strain Relief Fittings & Accessories|
|Circular Connectors|Conduit System|Pneumatics|Cable Index|Enclosure Index|Search|
|Media|Site Map|Company Overview|Contact|Privacy Policy|Copyright Notice|