Your One-Stop Solution For Cable & Wire Accessories!

Enclosures (Plastic and Metal)
D, K & KF Series Enclosure


Contact Us About Us  
 
LinkedIn Facebook Twitter Hi Tech Controls Blog google +
Cables & WiresEnclosures (Plastic & Metal)Pneumatic ComponentsLiquid Tight Strain Relief FittingsCircular ConnectorsConduit System (Tubing, Fittings, etc.)Accessories & Adapters, Reducers, Enlargers
 
easyquote
*E-mail
*Name
*Company
*Phone
*State
*Zip Code
*Country
Please answer the security question:
3+2=
(*) Required Fields
Catalogs / Samples, Full Quote & Contact Information
303-699-1135
1-800-456-9012
dropdownbox

Need Pricing? Please use the Get a Quote dropdown on the left

Enclosure Home Page|Industrial Enclosures|Thermoplastic Indoor Enclosures w/ Smooth Walls (No Knockouts)


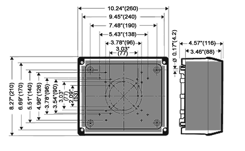
K 8350 - Thermoplastic Indoor Enclosures w/ Smooth Walls

K 8350
  Enlarge Picture

K 8350
Enlarge Picture

W 10.24" (260 mm) x H 8.27" (210 mm) x D 4.61" (117 mm)

Approval mark vde 
degree of protection: IP 65
mounting width 177 mm
mounting height 240 mm
material: thermoplastic
max. installation depth 88 mm
color: gray RAL 7035
cable entry wall surface can be drilled individually for cable entry max. M 50
in accordance with IEC 60,670-22

SpacerAccessories Accessories
SpacerDetailed Dimensions Detailed Dimensions

K8350 Features & Applications

Application:

Application area Suitable for indoor installation and outdoor installation, protected against weather influences according to DIN VDE 0100 Part 737
Resistant to occasional cleaning procedures (direct jet) Resistant to occasional cleaning procedures (direct jet) with high-pressure cleaner without additives, water pressure: max. 100 bar, water temperature: max. 80� C, distance => 0,15 m, in accordance with the requirements IP 69K, enclosure and cable glands at least IP 65
ambient temperature Maximum value + 40� C
Minimum value - 25� C
Fire protection in the event of internal faults Demands placed on electrical devices from standards and laws Minimum requirements - Glow wire test in accordance with IEC 60 695-2-11: - 650�C for boxes and cable glands - 850�C for parts of insulating material necessary to retain current carrying parts in position
Fire protection in the event of specific risks or hazards Demands placed on electrical devices from standards and laws Minimum requirements - Glow wire test in accordance with IEC 60 695-2-11: - 650�C for boxes and cable glands - 850�C for parts of insulating material necessary to retain current carrying parts in position
Burning behavior Glow wire test IEC 60 695-2-11: 750� C
UL Subject 94 V-2
flame resistant self-extinguishing
degree of protection against mechanical load IK07 (2 Joule)
Toxic behavior halogen-free silicone-free "halogen-free" in accordance with the examination of the cables and insulated wires - corrosiveness of fumes - as per IEC 754-2
Note: To material properties see technical data.


Our products are used in the following areas of application: 

  • Companies involved in the processing of metal, wood and paper, cement factories
  • Agricultural and food industries
  • Water treatment and sewage plants, power stations and cold-storage depots
  • Banks and insurance buildings
  • Leisure and commercial centers
  • Hotel and ciType NEMA complexes
  • Hospitals and clinics
  • Schools and universities
  • Stadiums and sports centers
  • Gas stations and traffic infrastructure in ports, underground stations, tunnel and road construction
  • Indoor and outdoor installations
quote
Items For Quote

   
quote
box
Sealcon is the Exclusive Importer of HUMMEL products. We offer over 6,000 different Types and Sizes of RoHS Compliant Liquid Tight Strain Relief Fittings, Cord Grips, Cable Glands, Circular Connectors, Conduit System, Industrial Enclosures and Other Related Cable Management Products which are rated the best in the industry.
7374 S. Eagle Street
Centennial, CO 80112-4221 USA
Toll Free: 800-456-9012 / 303-699-1135 FAX: 303-680-5344
Valid XHTML 1.0 Transitional
To Top of Page Top of Page

Copyright © Sealcon All Rights Reserved
|Domestic & International Cables|Enclosures |Liquid Tight Strain Relief Fittings & Accessories|
|Circular Connectors|Conduit System|Pneumatics|Cable Index|Enclosure Index|Search|
|Media|Site Map|Company Overview|Contact|Privacy Policy|Copyright Notice|