Your One-Stop Solution For Cable & Wire Accessories!

Pneumatics


Contact Us About Us  
 
LinkedIn Facebook Twitter Hi Tech Controls Blog google +
Cables & WiresEnclosures (Plastic & Metal)Pneumatic ComponentsCircular ConnectorsConduit System (Tubing, Fittings, etc.)Accessories & Adapters, Reducers, Enlargers
 
easyquote
*E-mail
*Name
*Company
*Phone
*State
*Zip Code
*Country
Please answer the security question:
3+2=
(*) Required Fields
Catalogs / Samples, Full Quote & Contact Information
303-699-1135
1-800-456-9012
dropdownbox

camozzi Index|FRL Units|Series M & N


camozzi

FRL - Filters, Regulators and Lubricators

CAMOZZI Non-Modular FRL Series M & N

Download & Save as PDF File PDF Download

Filter and Coalescing Filter Series N

Ports 1/8", 1/4" NPTF
with threaded transparent bowl (Nylon - Grilamid)
The Series N filter is available with 1/8" and 1/4" NPTF ports.
The bowl, which is transparent (Grilamid), makes monitoring of the condensate levels very easy and is equipped with manual and semiautomatic drain (plus 3 new drain options).
The models are available with 3 different filtering elements: 25µm, 5µm and 0.01µm coalescing.
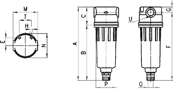
Filter and Coalescing Filter Series N Technical Drawing
Part Number A B C E F G H M N O P T U (NPTF)
N108-F00TF 4.37 3.07 1.299 .570 3.976 .394 M5 1.772 1.751 1/8" 1.496 .866 1/8"
N104-F00TF 4.37 3.07 1.299 .570 3.976 .394 M5 1.772 1.751 1/8" 1.496 .866 1/4"
N208-F00TF 5.315 4.016 1.299 .570 4.921 .394 M5 1.772 1.751 1/8" 1.496 .866 1/8"
N204-F00TF 5.315 4.016 1.299 .570 4.921 .394 M5 1.772 1.751 1/8" 1.496 .866 1/4"
Coding Example & Flow Diagrams
Coding Example
(Click Image to Enlarge)
Coding Example
(Click Image to Enlarge)
Technical Specifications
Construction HDPE filtering element
Materials Nickel-Plated brass body, Buna-N seals, Grilamid bowl, brass internals, filtering element in HDPE
Threaded ports 1/8", 1/4" NPTF
Max. condensate capacity cm³ Size 1 = .4 oz Size 2 = 1 oz
Weight Kg 0.220 = 0.5 lbs
Type of mounting Vertical, in-line
Operating temperature -50°C - 500°C, (230°F - 1220°F), with Dew Point of air at least 20°C (40°F) below the min working temperature
Porosity of filtering element 25 µm, standard; 5 µm and 0.01µm available
Draining of condensate Standard semiautomatic/manual; see code key for options
Pneumatic Data
Operating pressure 0.3 - 16 bar (4.35 psi - 232 psi) (Maximum pressure 10 bar/145 psi with depressurization draws)
Nominal flow See chart
quote
Items For Quote

   
quote
box
Sealcon is the Exclusive Importer of HUMMEL products. We offer over 6,000 different Types and Sizes of RoHS Compliant Liquid Tight Strain Relief Fittings, Cord Grips, Cable Glands, Circular Connectors, Conduit System, Industrial Enclosures and Other Related Cable Management Products which are rated the best in the industry.
7374 S. Eagle Street
Centennial, CO 80112-4221 USA
Toll Free: 800-456-9012 / 303-699-1135 FAX: 303-680-5344
Valid XHTML 1.0 Transitional
To Top of Page Top of Page

Copyright © Sealcon All Rights Reserved
|Domestic & International Cables|Enclosures |Liquid Tight Strain Relief Fittings & Accessories|
|Circular Connectors|Conduit System|Pneumatics|Cable Index|Enclosure Index|Search|
|Media|Site Map|Company Overview|Contact|Privacy Policy|Copyright Notice|